磁調制器原理的大功率直流充電機充電計量裝置現場檢測裝置的設計方案
2018-4-24 10:18:29??????點擊:
為實現直流充電機充電樁電能表的現場快速檢測,本文設計了一套基于磁調制器原理的大功率直流充電機充電計量裝置現場檢測裝置。
在分析了磁調制器的物理原理的基礎上介紹了電流的測量方法和電路原理,并介紹了電壓、MCU主控模塊、脈沖模塊及通訊模塊的測量、設計原理,從而給出了完整的直流充電機充電樁電能表現場檢測裝置的設計方案。最后通過實驗室檢測的方法驗證了該裝置的準確度,為直流充電機充電樁的現場快速檢測提供了新的設計思路。
隨著新能源汽車的快速推廣,電動汽車充電機充電配套設施的建設也進入了快速發展階段[1-2],但同時,國內對于電動汽車充電機充電計量設備的現場檢測技術還停留在實驗室對充電機充電計量設備進行校驗的階段[3],且進行研究的企業不多,研發深度不足,缺少適用于計量機構和電力單位進行測量的設備。
另外,對于電動車充電機充電樁的現場校驗,國內還沒有出現此類產品,而隨著充電機充電設備的增多,越來越多的充電機充電計量設備必須在規定的時間內進行校驗,又因為充電機充電樁的不可移動性,所以現場校驗充電機充電計量設備就變的非常必要。
直流充電機充電樁因其快速充電機充電的特性更適用于社會車輛充電機充電,具有較高的實用價值,使用更加普及的同時也帶來了無法高精度檢測直流電流的問題。
現場環境下需檢測的電流范圍為0.2~300A,測量精度為0.05級,傳統的霍爾傳感器、分流器都不符合測量要求。
本文基于磁調制器原理[4-11]設計了一套大功率直流充電機充電樁計量裝置現場檢測裝置,磁調制器的測量精度最高可達10-6,符合測量要求,該裝置能夠廣泛應用于計量機構和電力單位。
1 檢測裝置設計方案與工作原理
1.1檢測裝置設計方案
大功率直流充電機充電計量裝置現場檢測裝置的檢測方法如圖1所示,將檢測裝置作為標準直流電能表串連到充電機充電樁和充電機充電汽車(負載)中間,通過充電機充電槍接口模塊對電流、電壓信號進行采樣并與脈沖模塊接收到的數據進行比對,從而計算出直流電能表的誤差。
圖1大功率直流充電機充電計量裝置現場檢測裝置校驗方法

1.2檢測裝置工作原理
數據采樣與傳輸示意圖如圖2所示,電壓、電流采樣模塊將采集的數據發送給電能計量模塊,該模塊將數據處理后發送給脈沖比較模塊和MCU主控模塊。電能脈沖比較模塊通過脈沖接口與直流充電機充電樁電能表數據進行比較,從而計算出直流充電機充電樁電能表的誤差。
圖2數據采樣與傳輸示意圖

2電流測量原理與信號調理電路設計
2.1基于磁調制器原理的電流互感器設計
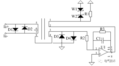
直流電流采用基于磁調制器原理的高精度直流電流互感器進行測量,磁調制器是利用軟磁材料磁化曲線對稱非線性特征所構成的一種飽和電抗器裝置[9]。
其原理如圖3所示,在閉合鐵心上有三個繞組,WS為交流勵磁繞組,W1為一次被測電流繞組,W2為二次平衡繞組,其電流已知或者是比較容易測量[5]。
當一次側電流繞組中無電流時,閉合鐵心中僅含有奇次諧波,二次平衡繞組中亦僅含有奇次諧波。
當一次側電流繞組中有電流時,閉合鐵心中不單含有奇次諧波,還新產生了偶次諧波,二次繞組也同樣如此。
即,一次側電流繞組中有無電流信號對奇次諧波影響不大,而與偶次諧波的相位關系密切,所以,可用任一偶次諧波來測量電流信號的強度。
圖3高精度直流電流互感器原理圖


2.2直流電流信號調理原理設計
直流電流信號調理原理設計如圖4所示,除電流互感器外還采用低溫漂精密電阻作為采樣電阻,在其兩側并聯一個放電管,放電電壓設置為小于等于低壓側允許的最大電壓,其目的是防止出現的過電壓對后續ADC電路產生影響。
圖4直流電流信號調理原理圖設計

3電壓測量設計
直流電壓采用精密電阻分壓傳感器進行測量,其信號調理原理如圖5所示,分壓電阻選擇相同材料的高精度低溫漂電阻,在該電阻兩側并聯一個放電管,放電電壓設置為小于等于低壓側允許的最大電壓,其目的是防止出現的過電壓對后續ADC電路的影響。
圖5直流電壓信號調理原理圖設計


4模塊設計
4.1MCU主控模塊
MCU主控模塊選擇ADI公司研制的SHARC系列處理器ADSP-21483。該DSP采用LQFP封裝,外形尺寸更小的同時引腳數量更多,豐富的外設接口使使用更加便捷,且其強大的計算能力能夠保證實時測量的電參量準確度達到0.05級。
4.2脈沖模塊設計
脈沖輸入信號原理設計如圖6所示。輸入信號線上串聯正溫度系數熱敏電阻作為一級保護,兩個二極管并聯在電源端和地端,作為二級保護,保證輸入信號不會超過后續電路的電壓輸入范圍。上拉100k電阻使得在沒有信號輸入時有一個可靠的電平,用1nF電容對信號進行濾波,后續的施密特觸發電路用來調整信號整形,防止信號線路上的干擾引起的誤觸發。
圖6 脈沖輸入信號原理圖

4.3通訊模塊設計
CAN通信接口原理設計如圖7所示。為了裝置系統穩定運行,CAN通信接口和MCU主控模塊之間采用光電耦合器進行電氣隔離。
圖7 CAN通信接口原理圖

RS232通信接口原理設計如圖8所示。RS232通信接口和MCU主控模塊之間同樣采用光電耦合器進行電氣隔離。TTL電平端直接通過光電耦合器和MCU主控模塊進行連接,RS232電平端線路上通過串聯100Ω電阻進行限流保護,通過串聯磁珠濾除高頻干擾,通過并聯TVS管進行接口保護。
圖8 RS232通信接口原理圖

5電氣安全設計
本裝置工作在直流充電機充電站,最高可測量1000V電壓和300A電流,電壓、電流均超過人體安全值,因此需使用有效措施保證設備使用的電氣安全。
被檢電壓、電流接入本裝置時采用標準直流充電機充電機充電機充電接口,符合GBT20234.3-2015標準,保證了電壓、電流接入時的電氣安全;操作部分與測量部分采用隔離設計,隔離電壓為1500VDC,保證了在高電壓測量時的電氣安全;采用非接觸式穿心互感器測量電流,無接觸器等機械觸點,安全性高;CAN通信接口、RS232接口與主控模塊之間采用光耦進行電氣隔離以確保設備內部的電氣安全。
6實驗結果
本文設計的現場檢測裝置的電壓、電流、電能準確度均為0.05級,為驗證其準確度是否符合設計要求,在實驗室中對其進行檢測。檢測結果見表1,記錄了多個計量點的電能誤差。
表1標準電能表誤差

檢測結果表明,該現場檢測裝置的準確度等級符合0.05級設計要求。
7結論
本文設計了一套基于磁調制器原理的大功率直流充電機充電計量裝置現場檢測裝置,介紹了磁調制器的物理原理,并介紹了電流、電壓的檢測原理與電路設計,最后介紹了主控模塊、脈沖模塊、通訊模塊的設計。經實驗室驗證,該裝置準確度等級達到了0.05級的設計要求。
利用該現場檢測裝置能夠在現場快速檢測直流充電機充電樁電能表電流、電壓、電能及計費功能的準確度,保證了電費計算的公正性,可廣泛應用于各級計量部門和充電機充電機使用或制造部門。
在分析了磁調制器的物理原理的基礎上介紹了電流的測量方法和電路原理,并介紹了電壓、MCU主控模塊、脈沖模塊及通訊模塊的測量、設計原理,從而給出了完整的直流充電機充電樁電能表現場檢測裝置的設計方案。最后通過實驗室檢測的方法驗證了該裝置的準確度,為直流充電機充電樁的現場快速檢測提供了新的設計思路。
隨著新能源汽車的快速推廣,電動汽車充電機充電配套設施的建設也進入了快速發展階段[1-2],但同時,國內對于電動汽車充電機充電計量設備的現場檢測技術還停留在實驗室對充電機充電計量設備進行校驗的階段[3],且進行研究的企業不多,研發深度不足,缺少適用于計量機構和電力單位進行測量的設備。
另外,對于電動車充電機充電樁的現場校驗,國內還沒有出現此類產品,而隨著充電機充電設備的增多,越來越多的充電機充電計量設備必須在規定的時間內進行校驗,又因為充電機充電樁的不可移動性,所以現場校驗充電機充電計量設備就變的非常必要。
直流充電機充電樁因其快速充電機充電的特性更適用于社會車輛充電機充電,具有較高的實用價值,使用更加普及的同時也帶來了無法高精度檢測直流電流的問題。
現場環境下需檢測的電流范圍為0.2~300A,測量精度為0.05級,傳統的霍爾傳感器、分流器都不符合測量要求。
本文基于磁調制器原理[4-11]設計了一套大功率直流充電機充電樁計量裝置現場檢測裝置,磁調制器的測量精度最高可達10-6,符合測量要求,該裝置能夠廣泛應用于計量機構和電力單位。
1 檢測裝置設計方案與工作原理
1.1檢測裝置設計方案
大功率直流充電機充電計量裝置現場檢測裝置的檢測方法如圖1所示,將檢測裝置作為標準直流電能表串連到充電機充電樁和充電機充電汽車(負載)中間,通過充電機充電槍接口模塊對電流、電壓信號進行采樣并與脈沖模塊接收到的數據進行比對,從而計算出直流電能表的誤差。
圖1大功率直流充電機充電計量裝置現場檢測裝置校驗方法

1.2檢測裝置工作原理
數據采樣與傳輸示意圖如圖2所示,電壓、電流采樣模塊將采集的數據發送給電能計量模塊,該模塊將數據處理后發送給脈沖比較模塊和MCU主控模塊。電能脈沖比較模塊通過脈沖接口與直流充電機充電樁電能表數據進行比較,從而計算出直流充電機充電樁電能表的誤差。
圖2數據采樣與傳輸示意圖

2電流測量原理與信號調理電路設計
2.1基于磁調制器原理的電流互感器設計
直流電流采用基于磁調制器原理的高精度直流電流互感器進行測量,磁調制器是利用軟磁材料磁化曲線對稱非線性特征所構成的一種飽和電抗器裝置[9]。
其原理如圖3所示,在閉合鐵心上有三個繞組,WS為交流勵磁繞組,W1為一次被測電流繞組,W2為二次平衡繞組,其電流已知或者是比較容易測量[5]。
當一次側電流繞組中無電流時,閉合鐵心中僅含有奇次諧波,二次平衡繞組中亦僅含有奇次諧波。
當一次側電流繞組中有電流時,閉合鐵心中不單含有奇次諧波,還新產生了偶次諧波,二次繞組也同樣如此。
即,一次側電流繞組中有無電流信號對奇次諧波影響不大,而與偶次諧波的相位關系密切,所以,可用任一偶次諧波來測量電流信號的強度。
圖3高精度直流電流互感器原理圖


2.2直流電流信號調理原理設計
直流電流信號調理原理設計如圖4所示,除電流互感器外還采用低溫漂精密電阻作為采樣電阻,在其兩側并聯一個放電管,放電電壓設置為小于等于低壓側允許的最大電壓,其目的是防止出現的過電壓對后續ADC電路產生影響。
圖4直流電流信號調理原理圖設計

3電壓測量設計
直流電壓采用精密電阻分壓傳感器進行測量,其信號調理原理如圖5所示,分壓電阻選擇相同材料的高精度低溫漂電阻,在該電阻兩側并聯一個放電管,放電電壓設置為小于等于低壓側允許的最大電壓,其目的是防止出現的過電壓對后續ADC電路的影響。
圖5直流電壓信號調理原理圖設計


4模塊設計
4.1MCU主控模塊
MCU主控模塊選擇ADI公司研制的SHARC系列處理器ADSP-21483。該DSP采用LQFP封裝,外形尺寸更小的同時引腳數量更多,豐富的外設接口使使用更加便捷,且其強大的計算能力能夠保證實時測量的電參量準確度達到0.05級。
4.2脈沖模塊設計
脈沖輸入信號原理設計如圖6所示。輸入信號線上串聯正溫度系數熱敏電阻作為一級保護,兩個二極管并聯在電源端和地端,作為二級保護,保證輸入信號不會超過后續電路的電壓輸入范圍。上拉100k電阻使得在沒有信號輸入時有一個可靠的電平,用1nF電容對信號進行濾波,后續的施密特觸發電路用來調整信號整形,防止信號線路上的干擾引起的誤觸發。
圖6 脈沖輸入信號原理圖

4.3通訊模塊設計
CAN通信接口原理設計如圖7所示。為了裝置系統穩定運行,CAN通信接口和MCU主控模塊之間采用光電耦合器進行電氣隔離。
圖7 CAN通信接口原理圖

RS232通信接口原理設計如圖8所示。RS232通信接口和MCU主控模塊之間同樣采用光電耦合器進行電氣隔離。TTL電平端直接通過光電耦合器和MCU主控模塊進行連接,RS232電平端線路上通過串聯100Ω電阻進行限流保護,通過串聯磁珠濾除高頻干擾,通過并聯TVS管進行接口保護。
圖8 RS232通信接口原理圖

5電氣安全設計
本裝置工作在直流充電機充電站,最高可測量1000V電壓和300A電流,電壓、電流均超過人體安全值,因此需使用有效措施保證設備使用的電氣安全。
被檢電壓、電流接入本裝置時采用標準直流充電機充電機充電機充電接口,符合GBT20234.3-2015標準,保證了電壓、電流接入時的電氣安全;操作部分與測量部分采用隔離設計,隔離電壓為1500VDC,保證了在高電壓測量時的電氣安全;采用非接觸式穿心互感器測量電流,無接觸器等機械觸點,安全性高;CAN通信接口、RS232接口與主控模塊之間采用光耦進行電氣隔離以確保設備內部的電氣安全。
6實驗結果
本文設計的現場檢測裝置的電壓、電流、電能準確度均為0.05級,為驗證其準確度是否符合設計要求,在實驗室中對其進行檢測。檢測結果見表1,記錄了多個計量點的電能誤差。
表1標準電能表誤差

檢測結果表明,該現場檢測裝置的準確度等級符合0.05級設計要求。
7結論
本文設計了一套基于磁調制器原理的大功率直流充電機充電計量裝置現場檢測裝置,介紹了磁調制器的物理原理,并介紹了電流、電壓的檢測原理與電路設計,最后介紹了主控模塊、脈沖模塊、通訊模塊的設計。經實驗室驗證,該裝置準確度等級達到了0.05級的設計要求。
利用該現場檢測裝置能夠在現場快速檢測直流充電機充電樁電能表電流、電壓、電能及計費功能的準確度,保證了電費計算的公正性,可廣泛應用于各級計量部門和充電機充電機使用或制造部門。
- 上一篇:無線充電器有哪幾種? 2018/4/24
- 下一篇:安全性超高的鋅電池技術可以與充電機充電鋰電池形成競爭關系嗎? 2018/4/19
